当前位置:首页>>广州有道有限元>>AutoCAD应用技术
介绍了AutoCAD由三维实体创建正交视图的方法与步骤,并通过绘制箱体零件图,说明了SOLVIEW、SOLDRAW绘图命令的应用技巧。
1 引言
工程图纸的绘制是-项专业性很强而又繁琐的工作.既需要掌握和运用形体分析、线面分析、结构分析等基本方法,善于运用投影理论知识,同时还需要有丰富的空间想象能力。针对一些较复杂的零件,采用画三视圈的一般步骤和方法,往往需要花费很多的时间,而利用AutOCAD 由三维实体创建正交视图,不仅可提高设计绘图效率,同时还可提高设计绘图的准确性。因此利用AutOCAD 通过创建三维实体来绘制正交视图进行产品设计,对于广大工程设计人员来说很有意义。
2 创建正交视圈
在AutOCAD 中SOLVIEW命令可以创建基于三维实体的俯视圈、主视图、左视图、剖视图等正交视图。为了读图方便,采用SOLVIEW 命令还可以创建轴测图。在绘制正交视图过程中,首先打开布局,根据实体的大小,进行页面设置。执行SOLVIEW命令后,选择"UCS(U)"选项,AutoCAD将以所选坐标系XY 平面作为投影面,并利用正投影法将三维实体向该平面进行投影,生成俯视图。SOLVIEW 命令的其它选项都是以该选项为基础来执行的。生成俯视图后,选择"正交(O)"选项可以根据现有视图创建主视图;选择"辅助(A)选项可以根据现有视图创建辅助视圈,辅助视图投影和已有视图正交并倾斜于相邻视图的平面:选择"截面(S)"选项可以根据现有视图创建实体图形的剖视图。返回模型空间,确定当前窗口为西南等轴测视图,用UCS 命令设置当前视图为X-Y 平面,执行SOLVIEW命令后,选择"UCS(U)"选项,生成等轴测视图。
执行以上命令过程中,为了保证视图符合投影规律,不能对正交视圈中的图形进行缩放,可以通过拾取窗口边界,单击鼠标右键,选择"显示锁定"→"是"选项,来锁定窗口,以避免无意中缩放图纸空间窗口中的图形。
执行SOLVIEW 命令过程中, AutOCAD将自动创建一些为每个视图放置可见线、隐藏线和标注的图层。这些图层的默认名称及其控制的对象类型如表1 所示。
表1 由SOLVIEW命令创建的图层

通过SOLVIEW 命令创建出俯视图、主视图、左视图、剖视图等之后,用SOLVIEW 命令创建视口中表示实体轮廓的可见线及隐藏线。在执行SOLVIEW 命令之后,在"选择对象"提示下,可以直接选择预绘图的视口,也可以直接输入ALL,以选择全部视口。选定视口中的所有轮廓圈和剖视图都将被删除,然后由SOLVIEW 命令创建视口中表示实体轮廓的可见线及隐藏线,并投影到垂直视图方向的平面上。
基本视圈创建好之后,根据需要重新设置剖面线、绘制中心线、标注尺寸、关闭VPORTS图层以关闭视图外框、插入图框、插入标题栏等,正交视图创建完毕。
3 实例

图1 箱体
图1 所示箱体零件,创建实体过程略。正交视图创建过程如下:
(1)"工具-"选项"→"显示"→"布局元素"→取消"在新布局中创建视口"的默认选项。
(2)"格式"→"线型"→"加萃"→添加HIDDEN 可用线型。
(3) 打开布局→"文件"→"页面设置管理器"→"修改",设定A3(42O,297) 的图纸大小。
(4)命令:SOLVIEW
输入选项[UCS(U)/正交(O)/辅助(A)/截面(S)]:U
输入选项[命名(N)/世界(W)/?/当前(C)] <当前>:
输入视图比例<1>:
指定视图中心: (在图纸空间中俯视团大致位置选取一点。)
指定视口的第一个角点: (通过两个角点设置一个矩形框,将视图包围在其中,该矩形框的大小将来可以根据需要进行调整。)
指定视口的对角点:
输入视图名:俯视图
输入选项[UCS(U)/正交(O)/辅助(A)/截面(S)]:S
指定剪切平面的第一个点: (打开对象捕捉,在俯视图中捕捉箱体零件左右凸台的孔的圆心点。)
指定剪切平面的第二个点:
指定要从哪侧查看: (在俯视图中用鼠标在剪切平面的后侧单击。)
输入视图比例<1>:
指定视图中心: (在图纸空间中主视图大致位置选取一点。)
指定视口的第一个角点儿通过两个角点设置一个矩形框,将视图包围在其中,该矩形框的大小将来可以根据需要进行调整。)
指定视口的对角点:
输入视图名: 主视图
输入选项[UCS(U)/正交(O)/辅助(A)/截面(S)]:S
指定剪切平面的第一个点: (打开对象捕捉,在主视图中捕捉箱体零件口部和底部的圆心点。)
指定剪切平面的第二个点:
指定要从哪侧查看: (在主视图中用鼠标在剪切平面的左侧单击。)
输入视图比例<1>:
指定视图中心: (在图纸空间中左视图大致位置选取一点。)
指定视口的第一个角点: (通过两个角点设置一个矩形框,将视图包围在其中,该矩形框的大小将来可以根据需要进行调整。)
指定视口的对角点:
输入视图名:左视图
(5)命令:UCS
输入选项[新建(N)/移动(M)/正交(G)/上一个(P)/恢复(R)/保存(S)/删除(D)/应用(A)/?/世界(W)] <世界>:N
指定新UCS的原点或[Z 轴(ZA)/三点(3)/对象(OB)/面(F)/视图(V)/x/Y/Z] <O,O,O>:V
(6)命令:SOLVIEW
输入选项[UCS(U)/正交(O)/辅助(A)/截面(S)]:U
输入选项[命名(N)/世界(W) / ? /当前(C)] <当前>:输入视图比例<1>:
指定视图中心:(在图纸空间中轴测图大致位置选取一点。)
指定视口的第一个角点: (通过两个角点设置一个矩形框,将视图包围在其中,该矩形框的大小将来可以根据需要进行调整。)
指定视口的对角点:
输入视图名:轴测圈
通过回SOLVIEW 命令在布局空间创建的图形如图2所示。

图2 SOLVIEW 命令创建的箱体零件图
(7)命令:SOLVIEW
选择要绘制的视口…
选择对象:ALL
通过SOIDRAW命令在布局空间创建的图形如图3 所示。

图3 SOIDRAW命令创建的箱体零件图
通过拾取窗口边界,单击鼠标右键,选择"显示锁定"→"是"选项,来锁定窗口,以避免无意中缩放图纸空间窗口中的图形。
在主视图、左视图处双击,分别激活主视图、左视图,通过UCS命令创建用户坐标系,以主视图、左视图的视图平面作为用户坐标系的XOY 平面。对填充的剖面线进行编辑,选用ANSI31 图案,比例及角度可根据需要设定。
退出当前视口,在创建的中心线图层上分别绘制各个视图的中心线。
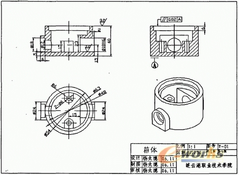
设定尺寸标注样式,在俯视图、主视图、左视图处双击分别激活各个视图,在相应视图的DIM层进行尺寸标注。绘制图框,插入标题栏图块,关闭VPORTS 图层,使布局空间只显示视图,矩形视图外框不再显示,整理后的箱体零件图如4所示。

图4 箱体零件图
4 结束语
AutoCAD是Autodesk公司开发的专门用于计算机绘图设计工作的软件,自20在纪80年代Autodesk公司推出Autodesk Rl. O以来,由于其具有简便易学、精确高效等优点,一直深受广大工程设计人员的青睐。工程领域里的设计绘图工作,一般都是通过形体分析、线面分析、结构分析等基本方法,运用投影理论进行机械零件的绘图,工作专业性强,绘图效率低且容易出错。通过创建三维实体,由三维实体自动生成正交视图,既符合产品开发的过程,又能提高绘图工作效率,这种绘图方法在工程设计领域值得应用和推广。
相关标签搜索:广州有限元培训 solidworks培训 CAD培训 ansys培训 solidworks proe培训 运动仿真 有限元FEA
客服在线请直接联系我们的客服,您也可以通过上面的方式进行在线报名,我们会及时给您回复电话,谢谢!
广州总部:广州市东风东路733号羊城同创汇编辑楼12楼
电话:020-83322285
137-1124-1980
点击图标或添加QQ:503841570
E-mail:fea@020fea.com
广州详细交通线路 >>>东莞分公司: 东莞市莞城区莞太路34号创意产业园11号楼5楼
手机:133-3285-6491
点击图标或添加QQ:503841570
E-mail:fea@020fea.com
东莞详细交通线路 >>>佛山分公司:佛山市禅城区季华一路28号智慧新城T15栋4楼401A
手机:133-3285-6491
点击图标或添加QQ:2459395568
E-mail:fea@020fea.com
佛山详细交通线路 >>>