此页面上的内容需要较新版本的 Adobe Flash Player。

获取 Adobe Flash Player

当前位置:首页>>广州有道有限元>>项目服务成功案例

LMS汽车整车状态下动力总成刚体模态试验研究

2009-12-10 14:46  by:有限元  来源:广州有道有限元

关键字:动力总成 刚体模态 模态试验 模态识别

  汽车发动机常用往复活塞式发动机,它是由周期爆发的燃气压力产生的活塞往复运动,通过曲轴连杆机构转化为曲轴的旋转运动,对外输出功。由于发动机气缸做功的不连续性,发动机运动部件的不平衡惯性力对发动机机体具有强烈的冲击和宽频带激励作用。同时,发动机在工作工程中,由于实际工况和负荷的不断变化,反扭矩也在不断变化,从而对发动机造成一个扭矩激励作用。在以上两种激励作用下,发动机会产生随转速变化的振动。这种宽频带的振动与冲击无论对发动机的可靠性,还是对汽车的可靠性及乘坐舒适性都将造成极为不利的影响。

  目前,随着汽车和发动机朝着高速、轻量化、大功率方向发展,其振动噪声问题日趋严重。为了克服振动造成的各方面负面影响,人们采取了各种方法和途径来降低发动机和整车的振动。汽车发动机工作中产生的不平衡力、力矩及路面不平度是引起汽车振动的激振的主要激振源。为了减小发动机(动力总成)对整车振动和噪声的影响,一般是通过动力总成悬置连接在车架上的产生隔振效果。理想的动力总成悬置元件应满足多方面的要求。不但应该将发动机自身产生的振动与车架结构隔离,而且还必须对汽车在道路行驶中产生的扰动有满意的响应特性。它必须在汽车突然加速、制动、转向等非稳态干扰时激发的低频扰动范围内有较大的动刚度和阻尼,以便限制动力总成的过分弹跳和过大的位移。简单的说,理想的发动机悬置元件应该在低频范围有较大的动刚度和阻尼,而在高频范围有较低的动刚度。对悬置系统进行合理的设计和分析来控制动力总成激励力对整车的影响是整车NVH系统设计的重要组成部分。本文针对动力总成刚体模态试验与分析过程的一些工程实际问题进行讨论和分析。

2 动力总成的动力学模型

  为了进行动力总成悬置系统的动力学分析,首先需要建立动力总成悬置系统的动力学模型。动力总成悬置系统的固有频率一般在5—30Hz之间,这一频率远低于动力总成的一阶弹性模态。因而在以悬置系统低频隔振分析为主要目标的处理过程中,可以将动力总成视为刚体,橡胶悬置元件简化为三向正交的弹性阻尼元件,建立系统6自由度的自由振动和受迫振动的动力学微分方程组。

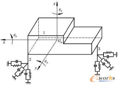
图1 汽车动力总成刚体动力学模型

    图1表示动力总成处于静平衡位置。以动力总成质心G0为坐标原点,设定沿动力总成曲轴方向并指向前方为X轴正方向,按照右手法则建立直角坐标系G0-xyz,如图所示。动力总成的振动可分解为随同它的质心G0点沿x、y、z的三个平动,和绕质心G0点的转动。在微振动条件下,其角位移可用绕x、y、z轴的转角θx、θy、θz表示。

  对动力总成液压悬置系统力学模型,设悬置系统受到的外力为Q(t),根据动力学原理可建立动力总成悬置系统六自由度动力分析方程为

式中:为六自由度坐标


为质量矩阵,为刚度矩阵,

为阻尼矩阵。

  其中刚度和阻尼矩阵中的各元素是悬置三向刚度、阻尼和安装位置和安装角度的函数。

  通过对动力学方程(1)振动分析可知,悬置系统有六个固有频率和相应的振型。理论分析表明,对于设计的悬置刚度和安装参数,动力总成各阶振型之间存在能量耦合。

3 动力总成刚体模态试验分析

  为了验证理论分析结果和评价隔振效果,必须进行动力总成的刚体振动模态试验,以验证设计正确性。本文应用LMS SC310动态测试硬件系统和TEST.LAB测试分析软件进行模态试验与模态参数识别。模态测试系统由三部分组成:电磁激振系统、传感器,LMS SC310数据采集和信号分析系统。

  激励系统主要包括信号源,功率放大器和激振器。其中信号源由LMS SC310源控制模块和软件产生。本试验采用猝发随机激励信号。

  传感器主要用于拾取激励力传感器和振动加速度传感器。力传感器和振动加速度传感器是ICP型,由LMS SC310信号适调模块进行信号调理和放大。

  LMS SC310数据采集和信号分析系统。力和加速度信号经LMS SC310数据采集模块和采集软件控制、分析获得各测点FRF频响函数和相干函数。为模态分析提供相应的数据。

  动力总成刚体模态试验过程主要包括以下几个方面:

  (1)几何建模:对于动力总成刚体模态试验,理论上至少要求八个测点组成一个长方体即可。在本次刚体模态试验上在发动机和变速箱上布置20个测点。应用比利时LMS国际公司TEST.LAB软件中的GEOMETRY模块进行建模。

  (2)激励点和激励方式:整车状态下动力总成和动力传动系模态试验激振点选取发动机缸盖右前上角斜向和变速箱与传动轴连接处斜向2点激振。对于以动力总成能量解耦设计为主要目标设计方案,在Z向和绕X轴转动等方向可能与其它方向解耦,如单方向激励,在其它方向可能产生的响应非常小,因此,对于动力总成刚体模态试验必需要多方向同时激振才能将六个刚体模态全部激发出来。同时激励点的选取应使激振力矩增大。在试验过程中,要选取多个激振点进行比较。

  (3)试验的支承方式:整车状态下动力总成刚体模态试验车辆放置在水平地面上,保持在水平面内。为了消除车架和悬架的模态影响,车辆用四个支点顶起。

  (4)测点:本试验共使用了两个力传感器和十个三向加速度传感器。力传感器测量激励信号;加速度传感器测量测点响应信号。由于测点较多,传感器数量有限,所以采取分组多次采集、最后集中处理的测量手段。激振器与力传感器之间用较细的柔性杆连接,以保证激振力产生引激励方向作用力。

  (5)动力总成刚体模态试验数据采集设置:采样频率有效带宽: 64Hz,谱线数:512,频率分辨率为0.125Hz。力信号和响应窗函数为HANNING窗以减少泄漏误差。力信号源为BIRST 随机,激振频率2-64Hz。为了减少测量随机误差,提高测试精度,对每次测量采样进行16次重复平均。

  (6)频响函数FRF的测量:为了获取全部模态参数及模态振型的信息,需要测量足够数量和精度的频响函数(FRF)。在测量二输入多输出频响函数时,采用自功率谱和互功率谱计算频响函数,根据16次平均次数,用H1估计法求得频响函数的最小二乘近似值。在试验过程中,确保相干函数接近1。本试验中由LMS国际公司 SPECTRAL ACQUISITION采集软件测试各测点频响函数。通过移动加速度传感器,测量全部测点的频响函数。监测各测点相干函数和频响函数。

  (7)模态参数识别:模态参数估计方法是采用比利时LMS 公司MODEL ANSLYSIS 分析软件中对于大阻尼系统识别精度高的POLYMAX 分析软件。通过比较LMS国际公司MODEL ANALYSIS和POLYMAX模态分析软件,POLYMAX模态分析软件更适用于动力总成刚体模态大阻尼结构参数识别。参数估计的频带选取是所选频带不含有过多的系统极点。在系统频响函数之和中所选取的频带的中起始点及终止点的值是极小值,以减小带外效应的影响。估计系统的极点数目时,将全部实际测得的选取的各测点频响函数按幅值求和,使峰值信息整个地集中在一条系统综合频响函数之和中。在选取极点时,根据一阶和二阶模态指示函数(MIF)在所有共振频率处的局部最小值和整体参数稳态图“稳定极点”初步选择极点。在进行稳态图计算时的假定极点数将根据所选频带宽度确定为32至64之间。根据选定的“稳态极点”进行模态向量估计。模态向量计算容差为2%,固有频率计算容差为1%,模态阻尼计算容差为5%。

  (8)模态模型验证:模态模型验证方法首先对测试设置中的激振器固定、各传感器校准和信号质量进行正确性验证,在每次测量得到的频响函数都必须通过相干函数验证。在此基础上,第一步是由比利时LMS公司的MODEL ANALYSIS 软件中的MODEL SYNTHESIS软件直接比较原始测量的频响函数和由模态参数估计重新构造出来的综合频响函数。在比较时,综合频响函数考虑上、下剩余项。第二步是根据比利时LMS公司的MODEL ANALYSIS 软件中的MODEL VALIDATION模态判别准则(MAC)确定同一组中各估计的正确性。根据模态参预(MP)分析给定频段上各模态的相对重要性和所选择的输入自由度的有效性。同时参照模态超复杂性(MOV)和模态相位共线(MPC)分析模态复杂性。由以上分析和通过观察振型最终确定有效模态模型。

4 试验结果

表1 整车状态下动力总成刚体模态频率与阻尼比

 

图2 某动力总成刚体模态Z向模态振型

    表1为某整车状态下动力总成刚体模态的固有频率、阻尼比与振型说明。图2为动力总成刚体模态Z向模态振型。

5 结论

  通过建立动力总成悬置系统刚体动力学模型和整车状态下模态试验得出了动力总成悬置隔振系统的六阶固有频率、模态阻尼和模态振型。在应用比利时LMS国际公司模态测试系和分析软件基础上,探讨了整车状态下的动力总成模态试验方法和大阻尼结构模态分析和模态参数辨识方法。试验结果表明现代测试手段和模态分析技术相结合,LMS国际公司POLYMAX模态分析软件更适用于动力总成刚体模态大阻尼结构参数识别。试验结果为进一步的理论分析及改进动力总成悬置隔振设计和减小汽车振动提供了可靠的数据。

相关标签搜索:广州有限元培训  solidworks培训  CAD培训  ansys培训  solidworks  proe培训  运动仿真  有限元FEA  

编辑

姓      名:

培训课程:

联系电话:

联系Q Q:

请留下您的有效联系方式,以便我们能联系到您 ^v^

验证码: 验证码

客服在线请直接联系我们的客服,您也可以通过上面的方式进行在线报名,我们会及时给您回复电话,谢谢!

广州总部:广州市东风东路733号羊城同创汇编辑楼12楼

电话:020-83322285

137-1124-1980

培训QQ咨询:

项目QQ咨询:

点击图标或添加QQ:503841570

E-mail:fea@020fea.com

广州详细交通线路 >>>

东莞分公司: 东莞市莞城区莞太路34号创意产业园11号楼5楼

手机:133-3285-6491

培训QQ咨询:

项目QQ咨询:

点击图标或添加QQ:503841570

E-mail:fea@020fea.com

东莞详细交通线路 >>>

佛山分公司:佛山市禅城区季华一路28号智慧新城T15栋4楼401A

手机:133-3285-6491

培训QQ咨询:

项目QQ咨询:

点击图标或添加QQ:2459395568

E-mail:fea@020fea.com

佛山详细交通线路 >>>